您好!欢迎来到上海潭兴企业有限公司官方网站!我司为台湾潭兴精工有限公司大陆分公司。




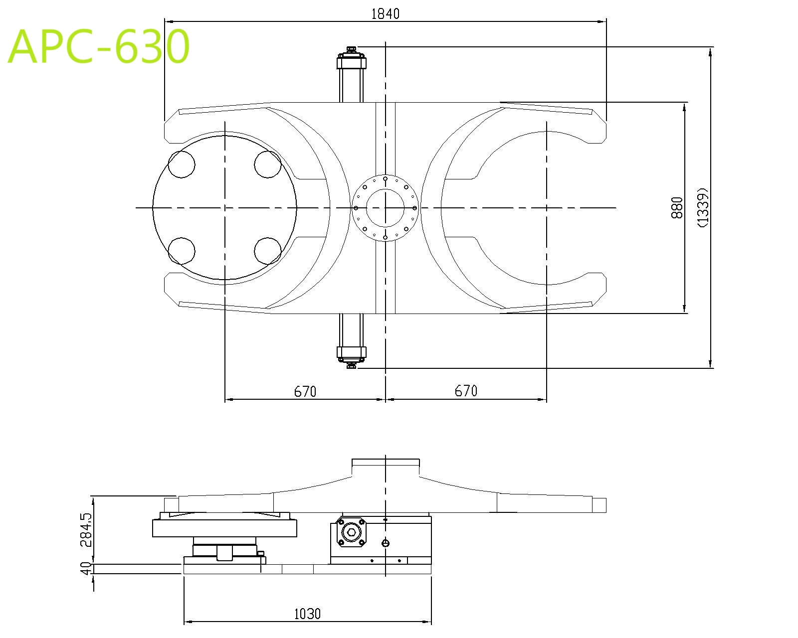
| 转台规格/型号 | 单位 | APC-400-H | APC-500-H | APC-630-H | APC-800-H |
|---|---|---|---|---|---|
| 旋转方式 | 油压排齿 | 油压排齿 | 油压排齿 | 油压排齿 | |
| 交換旋转角度 | deg. | 180° | 180° | 180° | 180° |
| 迴转直径 | mm | ?1188 | ?1504 | ?2030 | ?2393 |
| 兩工作台中心距 | mm | 750 | 950 | 1340 | 1500 |
| 交換升降行程 | mm | 60 | 45 | 55 | 70 |
| 交換時間 | sec. | 12 | 13 | 16 | 22 |
| 升降驅動压力 | kg/cm2 | 35 | 50 | 50 | 50 |
| 上升推力 | kgf | 1230 | 2200 | 4500 | 10000 |
| 左右旋转推力 | kgf | 980 | 1400 | 2500 | 4900 |
| 工件负载 | kg | 350x2=700 | 500x2=1000 | 1200x2=2400 | 2000x2=4000 |
| 工作台净重 | kg | 80x2=160 | 120x2=240 | 240x2=480 | 360x2=720 |
| 交換台净重 | kg | 385 | 340 | 1020 | 1550 |
| 預備站净重 | kg | 80 | 65 | 136 | 350 |
| 工件直径 | mm | ?400 | ?500 | ?630 | ?800 |
| 工作台载重容許差距 | kg | 200 | 400 | 1050 | 1400 |
企业名称:
上海潭兴企业有限公司
公司电话:
021-59785163
公司地址:
上海市青浦区崧盈路1299号5号楼1楼
资料获取:
021-59785162-8003
扫码关注我们
Copyright@2021 备案号:沪ICP备19042082号 技术支持:应客网 sitemap.xml