您好!欢迎来到上海潭兴企业有限公司官方网站!我司为台湾潭兴精工有限公司大陆分公司。




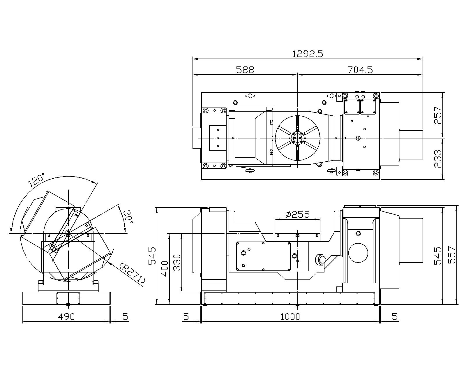
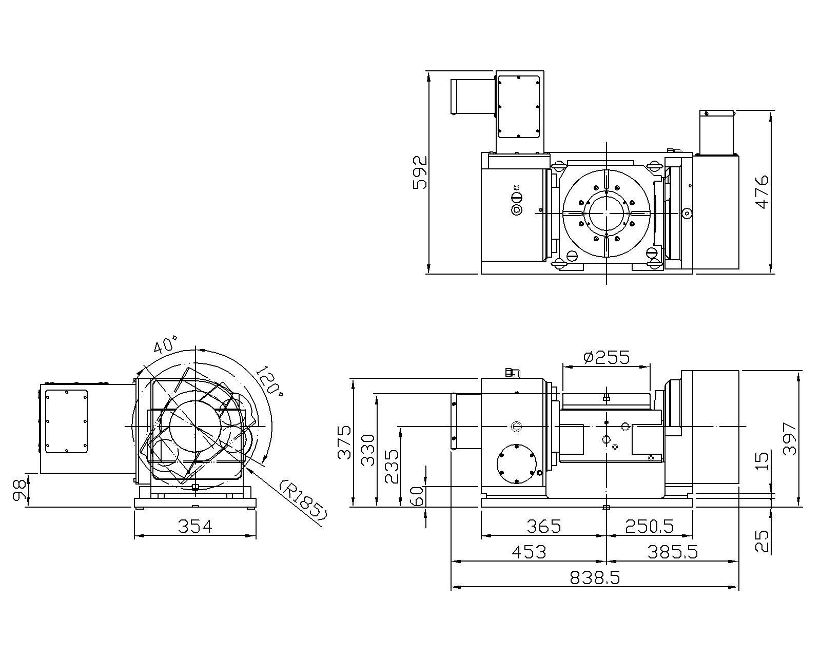
| 規格/型號 | 單位 | TRNC-125-H | TRNC-170C | TRNC-210C | TRNC-255A | TRNC-255B | |||||||
|---|---|---|---|---|---|---|---|---|---|---|---|---|---|
| 旋台直徑 | mm | ?125 | ?170 | ?210 | ?255 | ?255 | |||||||
| 工作台高度 | 水平時 | mm | 240 | 280 | 280 | 400 | 330 | ||||||
| 中心高度 | 90° | mm | 150 | 190 | 190 | 400 | 235 | ||||||
| 總高度 | 90° | mm | 260 | 380 | 380 | 550 | 388 | ||||||
| 中心孔直徑 | mm | ?25H7 | ?35H7 | ?45H7 | ?50H7 | ?100H7 | |||||||
| 貫穿孔徑 | mm | ?13 | ?35 | ?45 | - | ?100 | |||||||
| 工作台T型槽寬度 | mm | 12H7 | 12H7 | 12H7 | 12H7 | 12H7 | |||||||
| 導塊寬度 | mm | 14h7 | 18h7 | 18h7 | 18h7 | 18h7 | |||||||
| 傾斜角度 | deg. | -40°~+120° | -35°~+120° | -35°~+110° | -30°~+120° | -40°~+120° | |||||||
| 軸向 | 旋轉軸 | 傾斜軸 | 旋轉軸 | 傾斜軸 | 旋轉軸 | 傾斜軸 | 旋轉軸 | 傾斜軸 | 旋轉軸 | 傾斜軸 | |||
| 小設定單位 | deg. | 0.001° | 0.001° | 0.001° | 0.001° | 0.001° | |||||||
| 分度精度 | sec. | 40" | 60" | 20" | 60" | 20" | 60" | 15" | ★20" | 15" | 60" ★20" | ||
| 重覆精度 | sec. | 4" | 8" | 4" | 8" | 4" | 8" | 4" | ★8" | 4" | 8" | ||
| 伺服馬達 (廠牌可依需求指定) | FANUC | αiF 2 | αiF 2 | αiF 4 | αiF 4 | αiF 4 | αiF 4 | αiF 4 ◆αiF 8 | αiF 8 | αiF 4 ◆αiF 8 | αiF 8 | ||
| MITSUBISHI | HF/HG-75S | HF/HG-75S | HF/HG-104S | HF/HG-104S | HF/HG-104S | HF/HG-104S | HF/HG-104S ◆HF/HG-154S | HF/HG-154S | HF/HG-104S ◆HF/HG-154S | HF/HG-154S | |||
| SIEMENS | 1FK7042 | 1FK7042 | 1FK7063 | 1FK7063 | 1FK7063 | 1FK7063 | 1FK7063 | 1FK7063 | 1FK7063 | 1FK7063 | |||
| HEIDENHAIN | QSY96A | QSY96A | QSY116E | QSY116E | QSY116E | QSY116E | QSY116J | QSY116J | QSY116J | QSY116J | |||
| 總減速比 | 1/90 | 1/180 | 1/90 | 1/120 | 1/90 | 1/120 | 1/120 | 1/120 | 1/90 | 1/180 | |||
| 盤面更高轉速 | r.p.m | 55.5 | 27.7 | 44.4 | 33.3 | 44.4 | 33.3 | 25 | 25 | 33.3 | 16.6 | ||
| 容許旋轉扭矩 | N.m (kgf.m) | 98(10) | 196(20) | 196(20) | 568(58) | 568(58) | |||||||
| 使用壓力(鎖緊方式) | kg/cm2 | 5 (Pne.) | 35 (Hyd.) | 5 (Pne.) | 5 (Pne.) | 5 (Pne.) | 5 (Pne.) | 5 (Pne.) | 5 (Pne.) | 35 (Hyd.) | 35 (Hyd.) | ||
| 夾緊扭矩 | N.m (kgf.m) | 83(8.5) | 167(17) | 160(16) | 160(16) | 160(16) | 160(16) | ◎686(70) | ◎980(100) | 450(46) | 450(46) | ||
| 容許工件載重 | 0° (水平時) | kg | 50 | 50 | 50 | 100 | 140 | ||||||
| 0°~90° (傾斜時) | kg | 35 | 35 | 35 | 75 | 80 | |||||||
| 更大傾斜扭力 | W×L | N.m (kgf.m) | 25(2.5) | 60(6) | 60(6) | 80(8) | 150(15) | ||||||
| 更大負荷 (轉盤夾緊時) | F軸向力 | N (kgf) | 4000(400) | 5000(510) | 5000(510) | 14000(1428) | 16000(1632) | ||||||
| FxL徑向力 | N.m (kgf.m) | 83(8.5) | 160(16) | 160(16) | 686(70) | 450(46) | |||||||
| FxL傾斜力矩 | N.m (kgf.m) | 167(17) | 160(16) | 160(16) | 980(100) | 450(46) | |||||||
| 容許負載慣性矩 | J=W.D2/8 | kg.m2 (kg.cm.sec2) | 0.098(1) | 0.18(1.8) | 0.28(2.8) | 0.81(8.3) | 1.13(11.6) | ||||||
| 更大工件直徑 | mm | ?125 | ?170 | ?210 | ?255 | ?255 | |||||||
| 旋台重量(不含伺服馬達) | kg | 106 | 126 | 131 | 650 | 300 | |||||||
企业名称:
上海潭兴企业有限公司
公司电话:
021-59785163
公司地址:
上海市青浦区崧盈路1299号5号楼1楼
资料获?。?/span>
021-59785162-8003
扫码关注我们
Copyright@2021 备案号:沪ICP备19042082号 技术支持:应客网 sitemap.xml