您好!欢迎来到上海潭兴企业有限公司官方网站!我司为台湾潭兴精工有限公司大陆分公司。




?
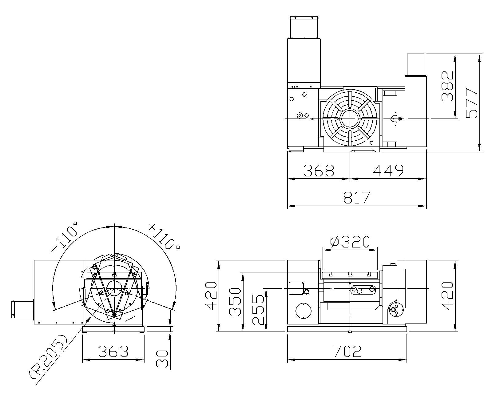
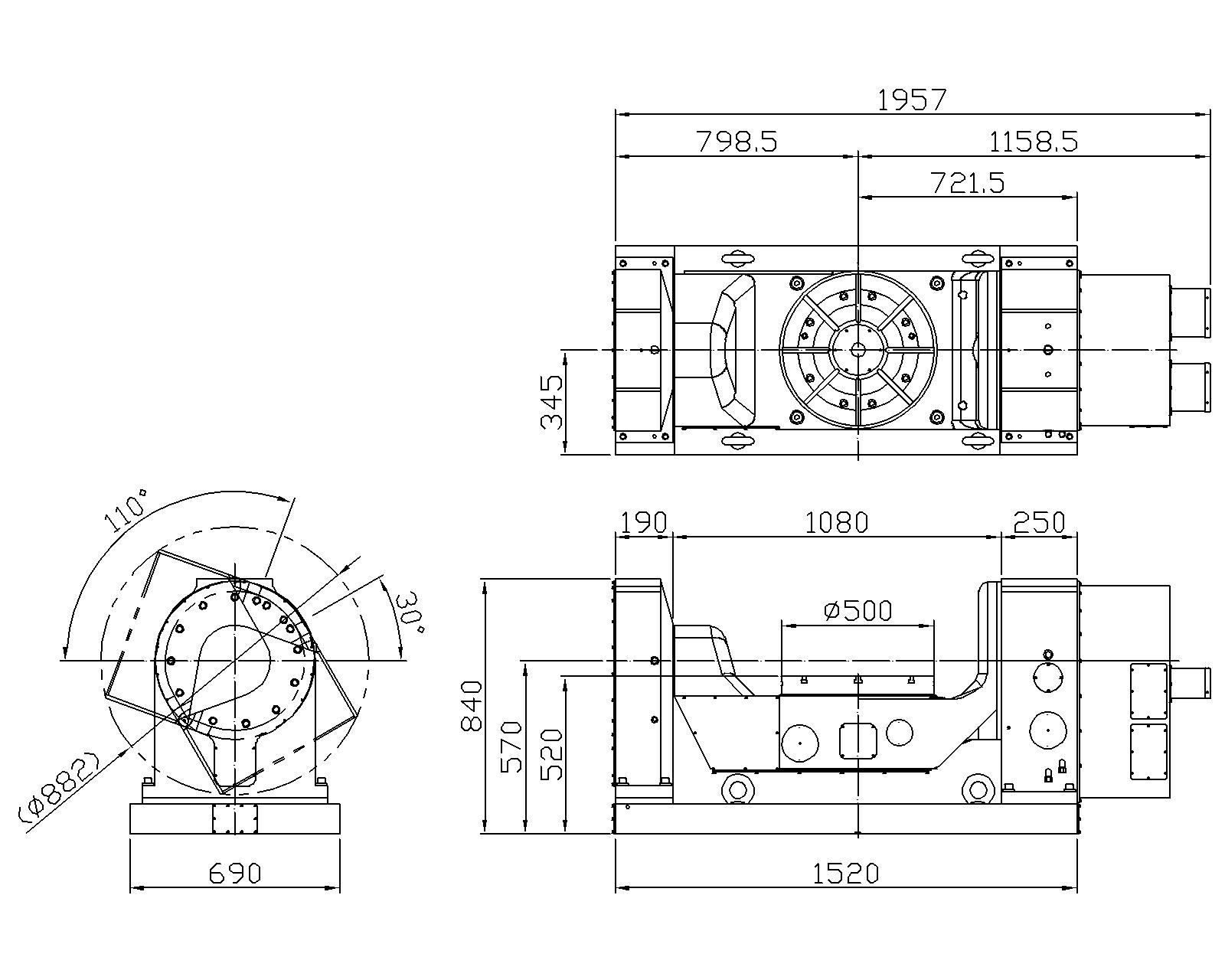
| 規格/型號 | 單位 | TRNC-321 | TRNC-400 | TRNC-500A | TRNC-650K | ||||||
|---|---|---|---|---|---|---|---|---|---|---|---|
| 旋台直徑 | mm | ?320 | ?400 | ?500 | ?500(650) | ||||||
| 工作台高度 | 水平時 | mm | 350 | 440 | 520 | 300 | |||||
| 中心高度 | 90° | mm | 255 | 440 | 570 | 350 | |||||
| 總高度 | 90° | mm | 445 | 690 | 780 | 622.5 | |||||
| 中心孔直徑 | mm | ?100H7 | ?150H7 | ?50H7 | ?50H7 | ||||||
| 貫穿孔徑 | mm | ?100 | ?140 | - | - | ||||||
| 工作台T型槽寬度 | mm | 14H7 | 14H7 | 18H7 | 18H7 | ||||||
| 導塊寬度 | mm | 18h7 | 18h7 | 18h7 | - | ||||||
| 傾斜角度 | deg. | ±110° | -30°~+105° | -30°~+110° | -100°~+110° | ||||||
| 軸向 | 旋轉軸 | 傾斜軸 | 旋轉軸 | 傾斜軸 | 旋轉軸 | 傾斜軸 | 旋轉軸 | 傾斜軸 | |||
| 最小設定單位 | deg. | 0.001° | 0.001° | 0.001° | 0.001° | ||||||
| 分度精度 | sec. | 15" | 60" ★20" | 15" | 60" ★20" | 15" | ★20" | ★20" | ★20" | ||
| 重覆精度 | sec. | 4" | 8" | 4" | 8" | 4" | ★8" | 4" | ★8" | ||
| 伺服馬達 (廠牌可依需求指定) | FANUC | αiF 8 | αiF 12 | αiF 12 | αiF 22 | αiF 12 | αiF 30 | αiF 12 | αiF 40 | ||
| MITSUBISHI | HF/HG-154S | HF/HG-204S | HF/HG-204S | HF/HG-204S | HF/HG-354S | HF/HG-703S | HF/HG-354S | HF/HG-703S | |||
| SIEMENS | 1FK7063 | 1FK7083 | 1FK7083 | 1FK7083 | 1FK7083 | 1FK7103 | 1FK7083 | 1FK7105 | |||
| HEIDENHAIN | QSY116J | QSY155B | QSY155B | QSY155B | QSY155B | QSY190C | QSY155C | QSY190D | |||
| 總減速比 | 1/120 | 1/360 | 1/180 | 1/180 | 1/120 | 1/120 | 1/120 | 1/120 | |||
| 盤面更高轉速 | r.p.m | 25 | 8.3 | 25 | 16.6 | 25 | 25 | 25 | 25 | ||
| 容許旋轉扭矩 | N.m (kgf.m) | 784(80) | 1715(175) | 2508(256) | 2508(256) | ||||||
| 使用壓力(鎖緊方式) | kg/cm2 | 5 (Pne.) | 5 (Pne.) | 35 (Hyd.) | 35 (Hyd.) | 35 (Hyd.) | 35 (Hyd.) | 35 (Hyd.) | 35 (Hyd.) | ||
| 夾緊扭矩 | N.m (kgf.m) | ◎1274(130) | ◎2528(258) | 1793(183) | 3459(353) | 3185(325) | 7595(775) | 3185(325) | 4410(450) | ||
| 容許工件載重 | 0° (水平時) | kg | 200 | 300 | 300 | 500 | |||||
| 0°~90° (傾斜時) | kg | 100 | 150 | 200 | 300 | ||||||
| 更大傾斜扭力 | W×L | N.m (kgf.m) | 245(25) | 294(30) | 490(50) | 490(50) | |||||
| 更大負荷 (轉盤夾緊時) | F軸向力 | N (kgf) | 17640(1800) | 19600(2000) | 29400(3000) | 29400(3000) | |||||
| FxL徑向力 | N.m (kgf.m) | 1274(130) | 1793(183) | 3185(325) | 3185(325) | ||||||
| FxL傾斜力矩 | N.m (kgf.m) | 2528(258) | 3459(353) | 7595(775) | 4410(450) | ||||||
| 容許負載慣性矩 | J=W.D2/8 | kg.m2 (kg.cm.sec2) | 2.6(26) | 6(61) | 9.4(95.7) | 9.4(95.7) | |||||
| 更大工件直徑 | mm | ?320 | ?400 | ?500 | ?650 | ||||||
| 旋台重量(不含伺服馬達) | kg | 450 | 1300 | 2300 | 1220 | ||||||
企业名称:
上海潭兴企业有限公司
公司电话:
021-59785163
公司地址:
上海市青浦区崧盈路1299号5号楼1楼
资料获取:
021-59785162-8003
扫码关注我们
Copyright@2021 备案号:沪ICP备19042082号 技术支持:应客网 sitemap.xml